日本ボデーパーツ工業株式会社

日本のトラック車体用部品、トラック用品、カー用品の販売をリードする。

製品詳細

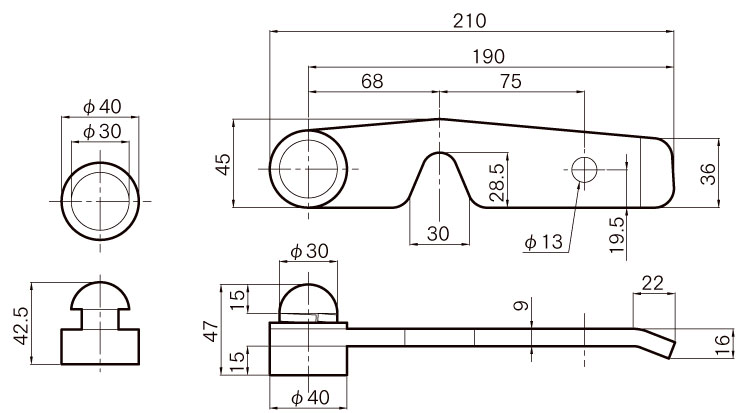
ダンプ 落しカンヌキ 大型用 L

商品コード
3006124
重量(Kg)
1.05

特徴(製品説明)・仕様

注意書き
上図は右用を示す。 左用は上図と左右対称。

トラック部品・部材

トラック用品

カー用品