
本製品は「建機運搬用一体あおり」の本体です。
■「建機運搬用一体あおり」の特長
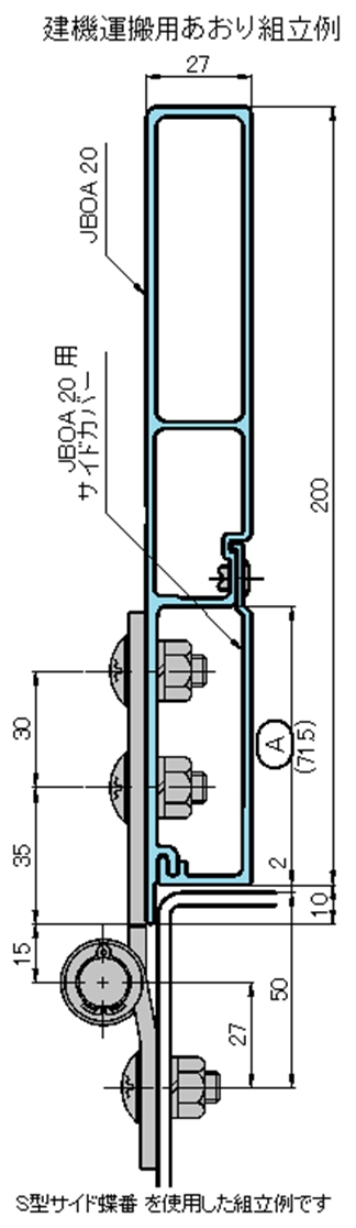
※高さ200Hの弊社オリジナル一体型あおり。
※あおり幅27mm・・・薄いので荷台巾を広く取りたい建設機械運搬車に最適
※あおりの表面が平面的であり「ロープ通し枠」の取付けが容易。
※各種蝶番等の金具取付範囲が広くなるように、あおり開口部を広くしている。
※蝶番は汎用品のボルト・ナットで取付けが出来る。(特殊工具必要なし)
材質:A6063S-T6
表面処理:アルマイト/クリアー
トラック部品・部材
トラック用品
カー用品