日本のトラック車体用部品、トラック用品、カー用品の販売をリードする。
メールでのお問い合わせについて
代理店様以外や個人へのお見積り、小売りはお受けしておりませんのでご了承ください。
営業時間外、土日、祝祭日、年末年始、夏季休暇期間は翌営業日以降の対応になります。何卒ご了承の程、お願い申し上げます。
了解しました
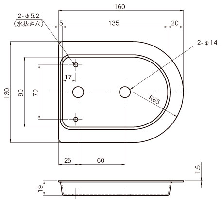
材質:ステンレス SUS304
トラック部品・部材
トラック用品
カー用品