日本ボデーパーツ工業株式会社

日本のトラック車体用部品、トラック用品、カー用品の販売をリードする。

製品詳細

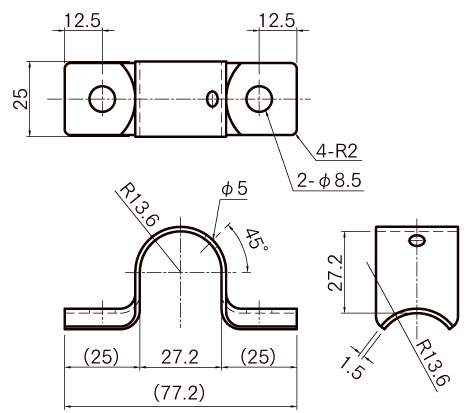
ステンレス製 パイプ固定バンド 27.2φ+27.2φ

商品コード
1700192
入数
400
重量(Kg)
0.032

特徴(製品説明)・仕様

特徴(製品説明)
適用パイプ :φ27.2丸パイプ
固定側設定:φ27.2丸パイプ
仕様
材質:SUS304  #400研磨

トラック部品・部材

トラック用品

カー用品