日本ボデーパーツ工業株式会社

日本のトラック車体用部品、トラック用品、カー用品の販売をリードする。

製品詳細

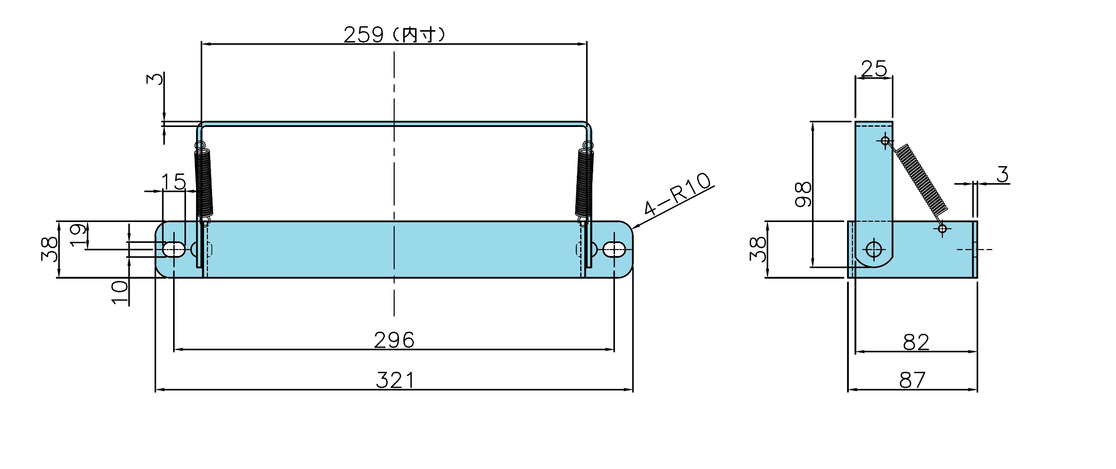
歯止めBKT S/P付 カチオン  サングリップ専用

商品コード
6964155
重量(Kg)
0.74

特徴(製品説明)・仕様

特徴(製品説明)

※サングリップ歯止め専用BKTです。
●歯止め単体:6964110 / ロープ付セット:6964210

仕様
●本体:SS400(カチオン黒塗装)
●スプリング材質:SUS304  WPB
注意書き
※収納には向きがあります。
  上記イメージの向きで収納してください。

PDFダウンロード

JB ニュース

トラック部品・部材

トラック用品

カー用品