日本ボデーパーツ工業株式会社

日本のトラック車体用部品、トラック用品、カー用品の販売をリードする。

製品詳細

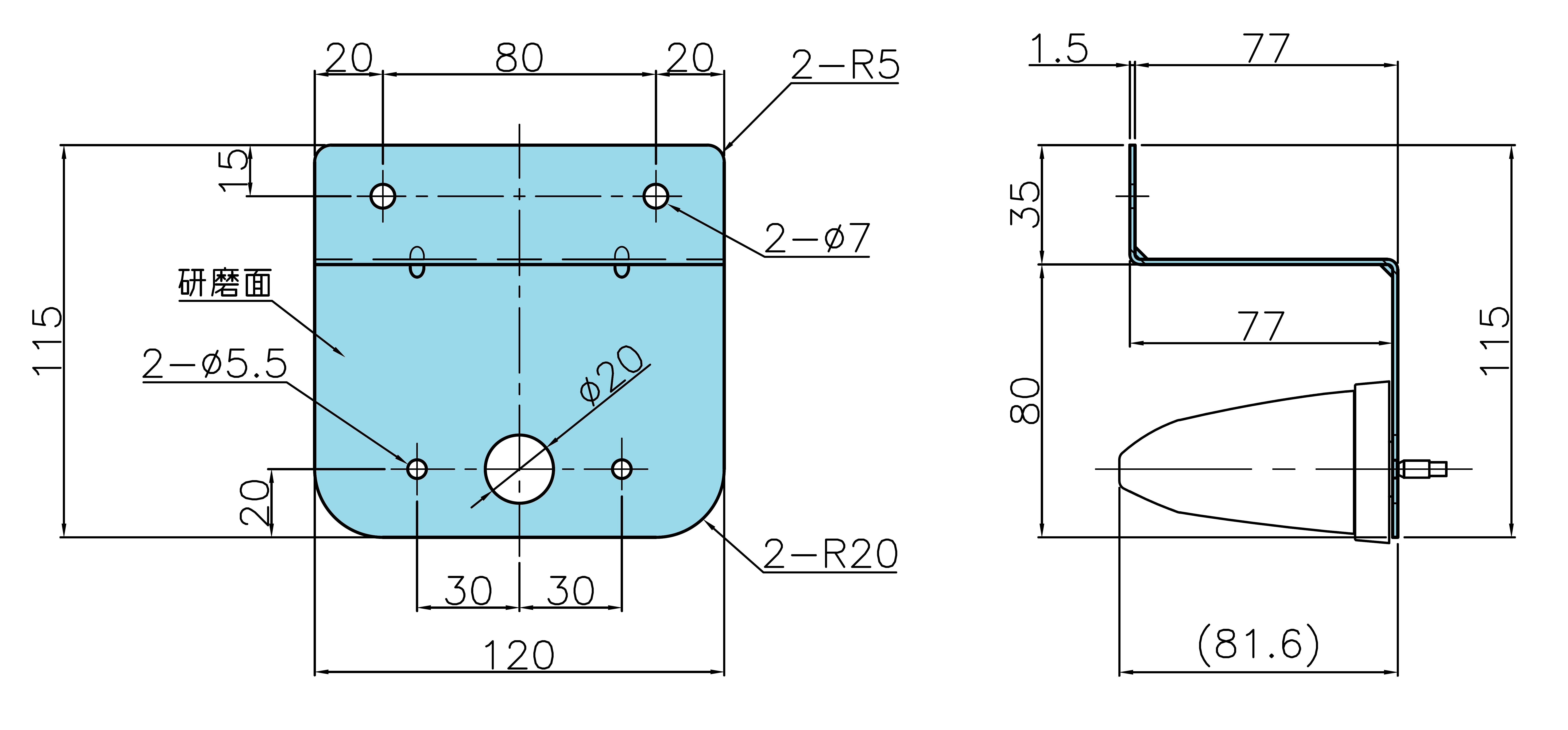
JB-SMLUL用  Z型マーカーステー  SUS430

型番
SMLUL-Z
商品コード
9215186A
メーカー
日本ボデーパーツ工業(株)
入数
80
寸法
120x115x78.5
売切代替コード
9215188
売切代替型番
MU-Z

特徴(製品説明)・仕様

特徴(製品説明)
●LEDマーカー&アンダーライト用のZ型マーカーステー
●すっきりとした外観で取り付けることができます
仕様
●SUS430  BA  t=1.5
注意書き
※売切廃番

PDFダウンロード

JB ニュース

トラック部品・部材

トラック用品

カー用品