日本ボデーパーツ工業株式会社

日本のトラック車体用部品、トラック用品、カー用品の販売をリードする。

製品詳細

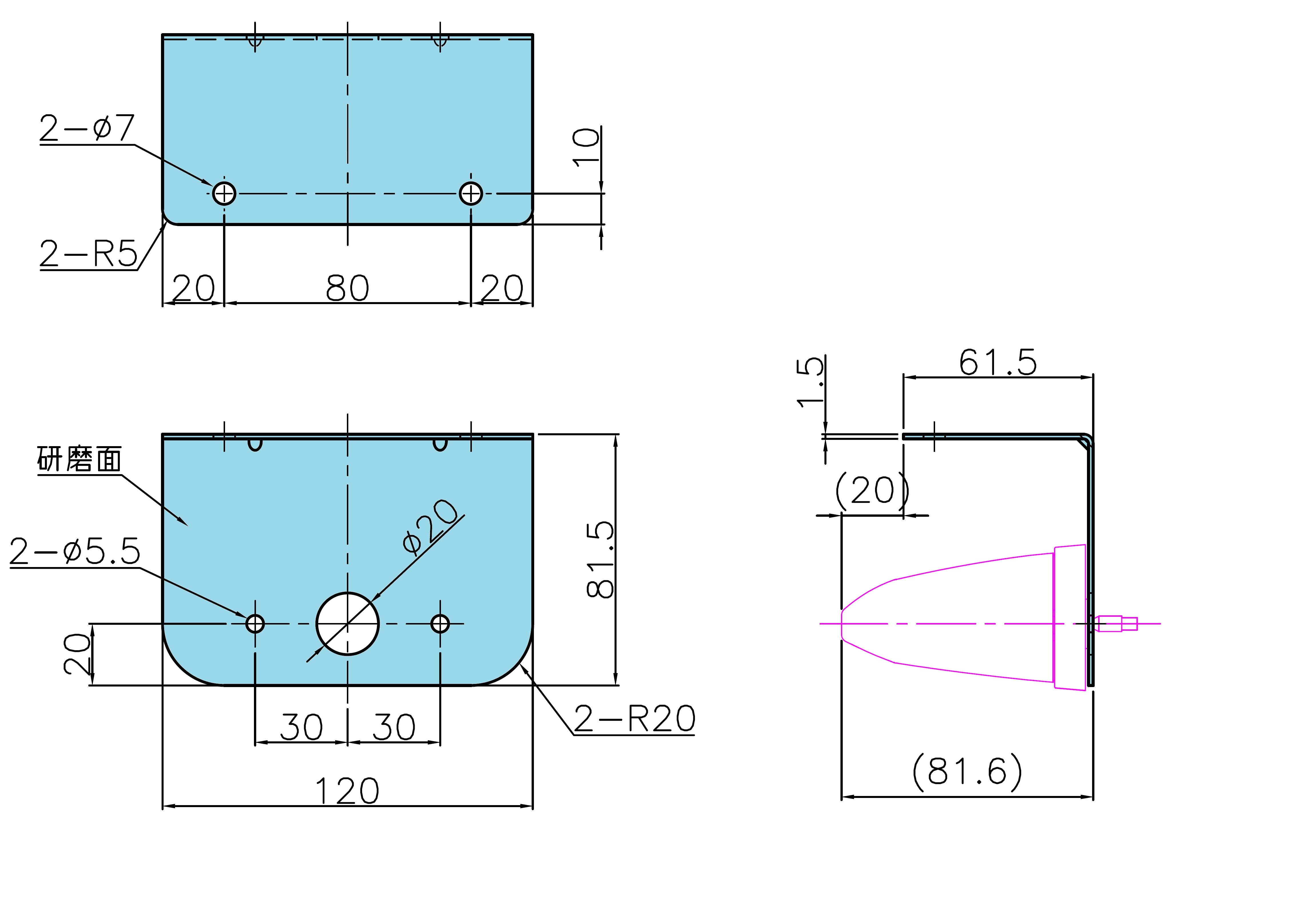
JB-SMLUL用  L型マーカーステー  SUS430

型番
SMLUL-L
商品コード
9215185A
メーカー
日本ボデーパーツ工業(株)
入数
100
寸法
120x81.5x61.5
売切代替コード
9218187
売切代替型番
MU-L

特徴(製品説明)・仕様

特徴(製品説明)

●LEDマーカー&アンダーライト用のL型マーカーステー
●すっきりとした外観で取り付けることができます

仕様
●SUS430  BA  t=1.5

PDFダウンロード

JB ニュース

トラック部品・部材

トラック用品

カー用品