日本ボデーパーツ工業株式会社

日本のトラック車体用部品、トラック用品、カー用品の販売をリードする。

製品詳細

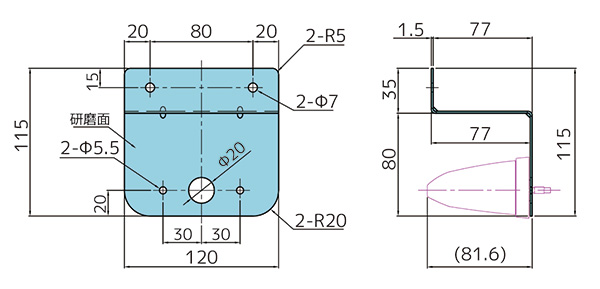
JB-MU用 Z型マーカーステー SUS430

型番
MU-Z
商品コード
9215188
メーカー
日本ボデーパーツ工業(株)
入数
80
寸法
120x115x78.5
代替前コード
9215186
代替前型番
SMLUL-Z

特徴(製品説明)・仕様

特徴(製品説明)
●LEDマーカー&アンダーライト用のZ型マーカーステー
●ランプの仕様変更にともない、配線用の穴径を
 変更しています。(Φ15→Φ20)
●すっきりとした外観で取り付けることができます
仕様
●SUS430 BA t=1.5

PDFダウンロード

JB ニュース

トラック部品・部材

トラック用品

カー用品