日本ボデーパーツ工業株式会社

日本のトラック車体用部品、トラック用品、カー用品の販売をリードする。

製品詳細

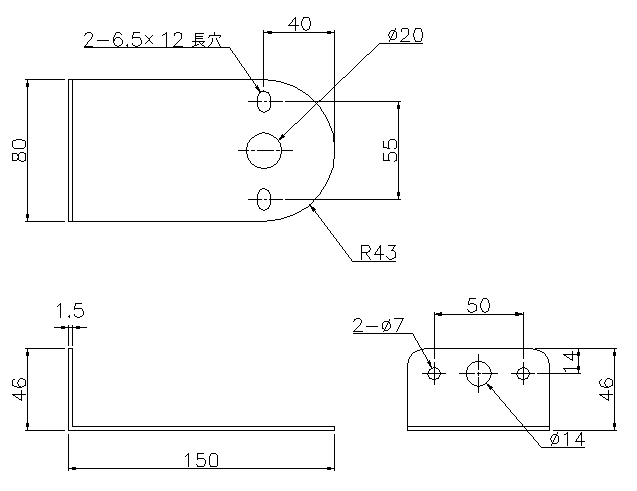
IKK L-117 マーカーステー SUS430

型番
L117
商品コード
9210875
JANコード
4996660003542
メーカー
アイケイケイ(株)
入数
10
重量(Kg)
0.159
寸法
厚み1.5 幅80 長さ150

特徴(製品説明)・仕様

特徴(製品説明)
幅80㎜のL型 1連タイプ
仕様
●ステンレス (SUS430) ●L型タイプ

トラック部品・部材

トラック用品

カー用品